Автор Тема: Электроотопление квартиры  (Прочитано 4871 раз)

0 Користувачів і 1 Гість дивляться цю тему.

Offline Елена.Ш

  • ****
  • Thank You
  • -Given: 136
  • -Receive: 5
  • Повідомлень: 271
  • Country: 00
  • Awards За неизменность форуму I степени - на форуме более 3 лет
    • Перегляд профілю
    • Awards
Электроотопление квартиры
« : 05 Травень 2015, 14:37:19 »
Возник вопрос на вводе одно или двух полюсный автомат?
Согласно ПУЭ. 1.7.145. Не допускается включать коммутационные аппараты в цепи РЕ- и pen-проводников, за исключением случаев питания электроприемников при помощи штепсельных соединителей.

Допускается также одновременное отключение всех проводников на вводе в электроустановки индивидуальных жилых, дачных и садовых домов и аналогичных им объектов, питающихся по однофазным ответвлениям от ВЛ. При этом разделение pen-проводника на РЕ- и n-проводники должно быть выполнено до вводного защитно-коммутационного аппарата.

Или есть что-то еще?

Offline Елена.Ш

  • ****
  • Thank You
  • -Given: 136
  • -Receive: 5
  • Повідомлень: 271
  • Country: 00
  • Awards За неизменность форуму I степени - на форуме более 3 лет
    • Перегляд профілю
    • Awards
Re: Электроотопление квартиры
« Reply #1 : 05 Травень 2015, 15:49:49 »
Может так правильнее?

Offline grun

  • ****
  • Thank You
  • -Given: 109
  • -Receive: 90
  • Повідомлень: 374
  • Country: ua
  • Awards За неизменность форуму I степени - на форуме более 3 лет
    • Перегляд профілю
    • Awards
Re: Электроотопление квартиры
« Reply #2 : 05 Травень 2015, 16:10:52 »
Я делаю так как в первом варианте

Offline grun

  • ****
  • Thank You
  • -Given: 109
  • -Receive: 90
  • Повідомлень: 374
  • Country: ua
  • Awards За неизменность форуму I степени - на форуме более 3 лет
    • Перегляд профілю
    • Awards
Re: Электроотопление квартиры
« Reply #3 : 05 Травень 2015, 16:13:12 »
Только судя по обозначению на схеме (присутствует кнопка) это дифавтомат, а не УЗО. И еще хочется РЕ-проводник от этажного щита завести в щиток

Offline Андрюха РЗА

  • ******
  • Thank You
  • -Given: 364
  • -Receive: 482
  • Повідомлень: 3 512
  • Country: ua
  • Инженер РЗиА и ТМ
  • Awards Серебрянная сова (250 благодарностей + 1000 сообщений) За неизменность форуму I степени - на форуме более 3 лет
    • Перегляд профілю
    • Awards
Re: Электроотопление квартиры
« Reply #4 : 05 Травень 2015, 16:26:53 »
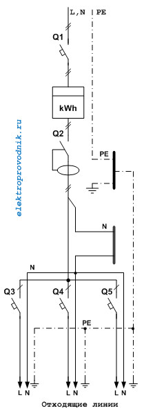
Мне больше нравится вариант №2, когда разделение нулей происходит ДО счетчика. ИМХО так правильнее, так как не нужно никому объяснять что происходит с нулем (PEN) в счетчике. Ну и заодно, как показано на схеме можно позволить себе двухполюсный автомат и рвать еще и ноль N, в случае если кто-нибудь из соседей случайно начнет сваркой баловаться и по нулю пустит фазу.
Дела не всегда обстоят так, как кажется

Offline grossel

  • ******
  • Thank You
  • -Given: 110
  • -Receive: 1625
  • Повідомлень: 9 968
  • Country: ua
  • Awards ЕОМактивность II- 2й по числу постов в день=(? сообщений)/(? времени пребывания) Золотая сова (400 благодарностей + 1500 сообщений) За неизменность форуму I степени - на форуме более 3 лет
    • Перегляд профілю
    • Awards
Re: Электроотопление квартиры
« Reply #5 : 05 Травень 2015, 17:59:35 »
Cоглашусь с Андрюхой РЗА, разделение лучше выполнить по варианту №2 на вводе
канал видео wwwGenPlanaNet на YouTube
http://www.youtube.com/user/wwwGenPlanaNet

Offline CC19

  • ******
  • Thank You
  • -Given: 106
  • -Receive: 325
  • Повідомлень: 1 958
  • Country: ua
  • Awards За неизменность форуму I степени - на форуме более 3 лет Хрустальная сова (100 благодарностей + 500 сообщений)
    • Перегляд профілю
    • Awards
Re: Электроотопление квартиры
« Reply #6 : 05 Травень 2015, 20:56:14 »
Вариант №2. ГОСТ хоть и Русский, но все же ...

Offline grun

  • ****
  • Thank You
  • -Given: 109
  • -Receive: 90
  • Повідомлень: 374
  • Country: ua
  • Awards За неизменность форуму I степени - на форуме более 3 лет
    • Перегляд профілю
    • Awards
Re: Электроотопление квартиры
« Reply #7 : 23 Жовтень 2015, 12:13:20 »
Хоть согласно ПУЭ разделять ноль нужно до счетчика (понимаю с чем связано), я всегда делаю разделение после счетчика и вопросов еще никто не задавал. Чем нравится: если PEN разделять до счетчика, то это пломбируется (либо отдельно либо шкаф учета), доступа к такому контакту нет, а со временем он ослабнет, плюс зажатый одним винтиком на РЕ-шине не очень надежное соединение. Поэтому когда разделение PEN выполнено после счетчика в щитке, всегда есть доступ, можно подтянуть контакт, и PEN-проводник гораздо надежнее зажат в клемах счетчика.

Offline grossel

  • ******
  • Thank You
  • -Given: 110
  • -Receive: 1625
  • Повідомлень: 9 968
  • Country: ua
  • Awards ЕОМактивность II- 2й по числу постов в день=(? сообщений)/(? времени пребывания) Золотая сова (400 благодарностей + 1500 сообщений) За неизменность форуму I степени - на форуме более 3 лет
    • Перегляд профілю
    • Awards
Re: Электроотопление квартиры
« Reply #8 : 23 Жовтень 2015, 12:49:07 »
grun, поскольку это еще и нарушение Закона №4220-VI и тянет за собой не слабую ответственность, в помощь ЗУ.rar
канал видео wwwGenPlanaNet на YouTube
http://www.youtube.com/user/wwwGenPlanaNet

Offline grun

  • ****
  • Thank You
  • -Given: 109
  • -Receive: 90
  • Повідомлень: 374
  • Country: ua
  • Awards За неизменность форуму I степени - на форуме более 3 лет
    • Перегляд профілю
    • Awards
Re: Электроотопление квартиры
« Reply #9 : 23 Жовтень 2015, 12:54:52 »
Да знаю я про закон

Offline Сугор

  • ******
  • Thank You
  • -Given: 265
  • -Receive: 959
  • Повідомлень: 9 410
  • Country: ua
  • Awards ЕОМактивность I - 1й по числу постов в день=(? сообщений)/(? времени пребывания) I по максимальному времени on-line пребывания на форуме Золотая сова (400 благодарностей + 1500 сообщений) За неизменность форуму I степени - на форуме более 3 лет
    • Перегляд профілю
    • Awards
Re: Электроотопление квартиры
« Reply #10 : 23 Жовтень 2015, 13:37:54 »
Что-то я не нашел в ПУЭ требования делить РЕN до счетчика. Судя из рис. 1.7.1 (ПУЭ) делить можно в любом месте. Также не увидел какое наказание за деления РЕN проводника в неположенном месте. Если такое требование существует, то, коллеги, дайте более корректную ссылку

Offline grun

  • ****
  • Thank You
  • -Given: 109
  • -Receive: 90
  • Повідомлень: 374
  • Country: ua
  • Awards За неизменность форуму I степени - на форуме более 3 лет
    • Перегляд профілю
    • Awards
Re: Электроотопление квартиры
« Reply #11 : 23 Жовтень 2015, 14:20:15 »
Cyrop, бегло глянул не нашел, а детально искать щас времени нет

Offline grossel

  • ******
  • Thank You
  • -Given: 110
  • -Receive: 1625
  • Повідомлень: 9 968
  • Country: ua
  • Awards ЕОМактивность II- 2й по числу постов в день=(? сообщений)/(? времени пребывания) Золотая сова (400 благодарностей + 1500 сообщений) За неизменность форуму I степени - на форуме более 3 лет
    • Перегляд профілю
    • Awards
Re: Электроотопление квартиры
« Reply #12 : 23 Жовтень 2015, 15:46:55 »
Ну например в РФ в ГОСТ Р 51628-2000, что чуть выше в теме выложил СС19, или в аналогичном межгосударственном (без Р), что подписала Украина, или в ДБН В.2.5-23 при вводе в дом от ВЛИ. Короче, тоже искать не хочется..
канал видео wwwGenPlanaNet на YouTube
http://www.youtube.com/user/wwwGenPlanaNet

Offline Сугор

  • ******
  • Thank You
  • -Given: 265
  • -Receive: 959
  • Повідомлень: 9 410
  • Country: ua
  • Awards ЕОМактивность I - 1й по числу постов в день=(? сообщений)/(? времени пребывания) I по максимальному времени on-line пребывания на форуме Золотая сова (400 благодарностей + 1500 сообщений) За неизменность форуму I степени - на форуме более 3 лет
    • Перегляд профілю
    • Awards
Re: Электроотопление квартиры
« Reply #13 : 23 Жовтень 2015, 16:43:36 »
в ДБН В.2.5-23 при вводе в дом от ВЛИ

Речь на сколько я понял идет о квартире, а квартира и ввод в дом от ВЛИ это несколько разные вещи.
РФ в ГОСТ Р 51628-2000, что чуть выше в теме выложил СС19

http://ockc.ru/wp-content/standart/51628-00.pdf
В данном документе тоже нет требований к точке разделения РЕN. Что же касается непосредственно схем, то к ним прилагается примечание
Quote (selected)
ПРИЛОЖЕНИЕ А
(справочное)
 
Примерные схемы квартирных и этажных щитков
 
Примечание—  Приведенные  схемы  являются  иллюстрацией  положений  стандарта  и  не  могут  без
предварительного анализа реальных требований потребителей использоваться при разработке щитков

Врпочем я не вижу проблемы в том чтобы РЕN разделить в этажном щите, просто хотелось бы увидеть конкретную норму которая предписывала выполнять разделение в конкретном месте или запрещала бы разделение в определенных местах.
Данная тема уже довольно таки давно обсуждается, и кто-то утверждал, что делить РЕN можно только на ВРУ.  Кстати, на рис..А.2 (ГОСТ Р 51628-2000) разделение происходит после счетчика

Offline grossel

  • ******
  • Thank You
  • -Given: 110
  • -Receive: 1625
  • Повідомлень: 9 968
  • Country: ua
  • Awards ЕОМактивность II- 2й по числу постов в день=(? сообщений)/(? времени пребывания) Золотая сова (400 благодарностей + 1500 сообщений) За неизменность форуму I степени - на форуме более 3 лет
    • Перегляд профілю
    • Awards
Re: Электроотопление квартиры
« Reply #14 : 23 Жовтень 2015, 19:40:02 »
ГОСТ Рисунок А. 2 — Схема квартирного учетно-группового щитка (использованного в действующем жилом фонде с двухпроводными линиями к светильникам и розеткам и трехпроводной к электрической плите), присоединенного к однофазной двухпроводной распределительной цепи, отходящей от этажного щитка.
На данной схеме нет вобще разделения совмещенного проводника, так-как система заземления ТN-C в действующем жилом доме, просто выполнено зануление ОПЧ электроплиты отдельным проводником. А так в ГОСТе, везде где выполняется система ТN-C-S или TN-S, разделение выполнено до учета.
канал видео wwwGenPlanaNet на YouTube
http://www.youtube.com/user/wwwGenPlanaNet

 

Warning: this topic has not been posted in for at least 150 days.
Unless you're sure you want to reply, please consider starting a new topic.

Ім'я:     Email: