Форум проєктувальників електричних та слабострумних мереж
Please
login
or
register
.
1 година
1 день
1 тиждень
1 місяць
Назавжди
Увійти
Новини:
Правильне світло в кожну школу
Початок
Пошук
Календар
Downloads
Media
Увійти
Реєстрація
Правила форума
Форум проєктувальників електричних та слабострумних мереж
»
Media
»
Альбомы компаний
»
ABB
»
схема силовая
Image
Home
«
»
контактор EN
схема силовая
OT3200-4000A
схема силовая
Poster information
Item Info
control@protection
Total Items: 10
Total Comments: 0
Posted
11 Листопад 2014, 15:00:32
Width × Height
345 × 143
Filesize
9 KB
Filename
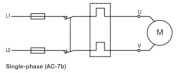
ESB power circuit.jpg
Views
2130
Rating
BBC embed code
HTML embed code
Direct link
Exif Metadata
No Exif data found
Comments
No comments
Aeva Media
1.4a ©
noisen
/
smf-media