Автор Тема: System Pro M compact Модульные устройства на ДИН рейку  (Прочитано 4106 раз)

0 Користувачів і 1 Гість дивляться цю тему.

Offline Taurus

  • Moderator
  • **
  • Thank You
  • -Given: 2
  • -Receive: 2
  • Повідомлень: 30
    • Перегляд профілю
    • Awards

Широкий ассортимент оборудования для множества применений

В  модельный ряд System pro M compact входит
большое количество устройств разнообразного
назначения для применения в жилых помещениях
или на коммерческих и промышленных объектах,
позволяя реализовывать следующие функции:
- защита и коммутация;
- измерение и контроль;
- управление и программирование.
Форма, конструкция и габаритные размеры
устройств позволяют устанавливать их в уже
существующие электроустановки.
Применение инновационного решения — двойных
цилиндрических клемм позволяет осуществить 
монтаж быстро и безошибочно.

Все устройства изготовлены в строгом соответствии с
требованиями стандарта EN 41140, что обеспечивает
надежную защиту от поражения электрическим током
при их монтаже.
На все аппараты и приборы нанесена четко различимая
и устойчивая маркировка.

Ассортимент устройств System pro M compact

Модульные автоматические выключатели

Устройства дифференциального тока

- выключатели дифференциального тока
(ВДТ)
- блоки дифференциального тока, объединяемые
на месте установки с автоматическими выключателями
- автоматические выключатели дифференциального
тока (АВДТ)
-реле дифференциального тока с внешними
тороидальными трансформаторами

Вспомогательные элементы

- универсальные вспомогательные/сигнальные контакты
- дистанционные расцепители
- расцепители максимального/минимального
напряжения и.т.д

Устройства защиты от импульсных перенапряжений

Устройства защиты

Помимо модульных автоматических выключателей и
устройств дифференциального тока, АББ предлагает
и другие устройства защиты, такие как держатели и
рубильники с предохранителями

Устройства управления

В эту категорию входят устройства для управления
электроустановкой вручную: контакторы,
блокировочные реле, рубильники, кнопочные
выключатели и т.д. Они обычно используются для
управления системой освещения из нескольких
точек или для управления нагрузками, требующими
большого числа включений/отключений.

Измерительные приборы

Предлагается широкий ассортимент измерительных
приборов с большим количеством вспомогательных
элементов и аксессуаров для простого и
экономичного монтажа в электрощитах и
распределительных шкафах.

Прочие модульные приборы

АББ предлагает серию модульных устройств
для монтажа на DIN-рейку: звонки и зуммеры,
звонковые трансформаторы и т.д.

Разнообразные аксессуары

Технический каталог:
http://eom.com.ua/index.php?action=downloads;sa=downfile&id=2764

Offline Fogoso

  • ****
  • Thank You
  • -Given: 40
  • -Receive: 34
  • Повідомлень: 403
  • Awards За неизменность форуму I степени - на форуме более 3 лет
    • Перегляд профілю
    • Awards
На каком оборудование можете предложить управление 3-мя (или большим количеством) однофазных вентиляторов (мощность до 1,35 кВт). Каждый вентилятор управляется по месту и дистанционно. Можно  использовать модульные пускатели ESB20-11 + EН 04-11?

Offline control@protection

  • ***
  • Thank You
  • -Given: 0
  • -Receive: 0
  • Повідомлень: 88
    • Перегляд профілю
    • Awards
Уважаемый  Fogoso,
Вы не можете применить ESB20-11: во первых из-за конфигурации 1НО+1НЗ, во-вторых, у него номинальная мощность 1.1 кВт, будет излишне перегреваться.
Можно использовать ESB24-20 (или ESB-24-30; ESB24-40) с номинальной рабочей мощностью 1.3 кВт (230 В - 1 фаза). Можно и ESB40-, ESB-63 в этом случае будет запас по электрической износостойкости.

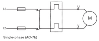
Схема силовых цепей

Схема управления (это может быть и локальное и дистанционное)
Применив блок вспомогательных контактов EН 04-20, одну пару контактов (на схеме управления 13-14) можно использовать для пуска, а вторую для индикации о состоянии главных контактов самого ESB и для управления другим оборудованием.
Проще всего реализовать локальное управление с контактором EN (EN20, EN24, EN40, EN63), это тоже самое, что и ESB, но с переключателем режимов на фронтальной стороне.

С уважением,
control@protection

Offline Taurus

  • Moderator
  • **
  • Thank You
  • -Given: 2
  • -Receive: 2
  • Повідомлень: 30
    • Перегляд профілю
    • Awards
Добрый день,    Fogoso

спасибо за вопрос.

Контакторы ESB, в основном, предназначены для управления освещением и обогревом. Также возможно их применение для управления вентиляцией и насосами или другой индуктивной нагрузкой.
Данное устройство является частью системы модульных устройств в связи с чем может быть легко интегрировано в соответствующие модульные щиты.
ESB20 - имеет цепь управления переменного тока.
ESB24 / 40 /63 - благодаря соленоидному воздействующему устройству, цепи управления могут управляться как переменным так и постоянным током.
Это дает следующие преимущества: бесшумное управление, отсутствие вибрации, низкое потребление энергии, интегрированная защита от перенапряжения до 5 кВ.
Аксессуары EH04 подходят только для ESB 24 / 40 / 63.

ESB20 и 24 при AC3 применяется на мощность до 1,3кВт.
ESB40 и 63 при АС3 применяется на мощность до 3,7 и 5 кВт однофазной нагрузки соответственно.

В Вашем случае, учитывая, что номинальный ток вентилятора превышает допустимую мощность контактора ESB20 и 24, а также, учитывая то, что аксессуар EH04 подходит к контакторам 24 / 40 / 63А,
лучше применить ESB40.

В связи с тем, что конечная задача не ясна (кроме управления вентилятором, возможно необходимы НЗ контакты для других нужд и будут включены в какую-то цепь управления), но из Вашего запроса можно сделать вывод, что, возможно по количеству НО/НЗ контактов, подойдет ESB40-22 вообще без допконтактов.

Также можно и наверное даже в Вашем случае лучше, применить EN20. По характеристикам аналогичен ESB, но дополнительно имеет встроенную функцию местного управления.

С уважением, Taurus       

Offline Taurus

  • Moderator
  • **
  • Thank You
  • -Given: 2
  • -Receive: 2
  • Повідомлень: 30
    • Перегляд профілю
    • Awards
И да, забыл сказать о электрической износостойкости ESB контакторов в ОДИН МИЛЛИОН циклов!  :thumbsup:

Offline Fogoso

  • ****
  • Thank You
  • -Given: 40
  • -Receive: 34
  • Повідомлень: 403
  • Awards За неизменность форуму I степени - на форуме более 3 лет
    • Перегляд профілю
    • Awards
Taurus,
Спасибо.
Собираю на  ESB40-22. EN20 не совсем подойдет т.к. местное управление выносится на фасад щита.

 

Warning: this topic has not been posted in for at least 150 days.
Unless you're sure you want to reply, please consider starting a new topic.

Ім'я:     Email: