Автор Тема: Кто подскажет о подключении АКУ-0,4 кВ в ТП  (Прочитано 2824 раз)

0 Користувачів і 1 Гість дивляться цю тему.

Offline Vitaliy

  • *
  • Thank You
  • -Given: 0
  • -Receive: 0
  • Повідомлень: 3
    • Перегляд профілю
    • Awards
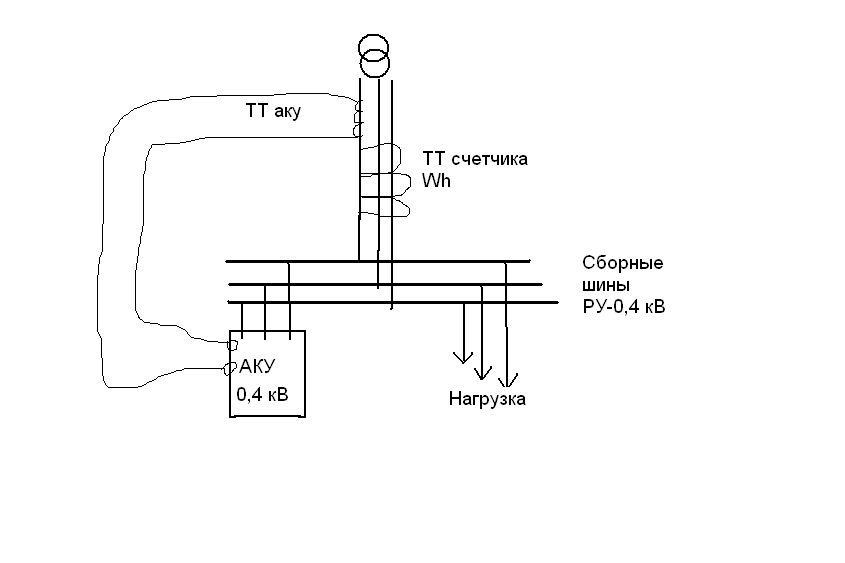
Правильно ли подключена АКУ на рисунке??? Верно осуществляется в сети и отображается на учёте компенсация реактивной мощности?

Offline Electro2

  • ****
  • Thank You
  • -Given: 19
  • -Receive: 72
  • Повідомлень: 348
  • Country: ua
  • Awards За неизменность форуму I степени - на форуме более 3 лет
    • Перегляд профілю
    • Awards
Правильно. Верно.
Прогресс сделал розетки недоступными для детей - умирают самые одаренные!

 

Warning: this topic has not been posted in for at least 150 days.
Unless you're sure you want to reply, please consider starting a new topic.

Ім'я:     Email: